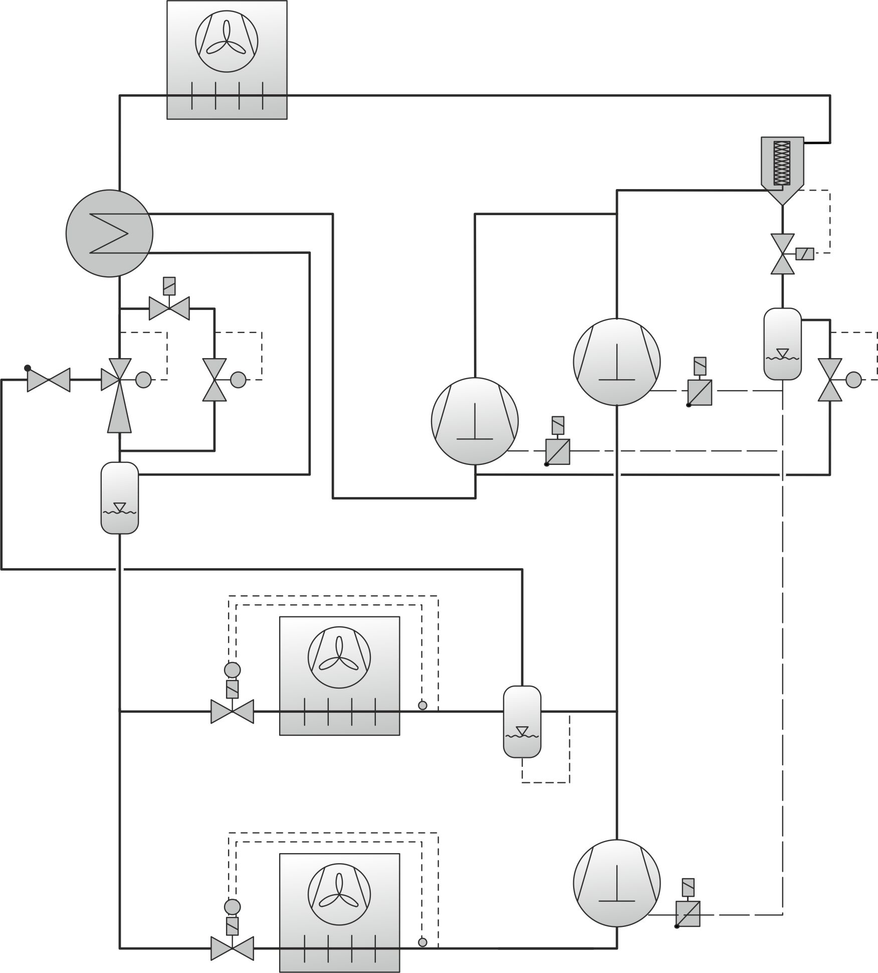
Anlagenausführung B
Mit Ejektor, Parallelverdichtung und mechanischem Hochdruckregelventil für den Notbetrieb
- Das Konzept der Parallelverdichtung reduziert das erforderliche Druckverhältnis, um das Flash-Gas wieder auf Hochdruckniveau zu verdichten.
- Das Flash-Gas wird mit einem höheren Druckniveau von einem eigenen Verdichter bzw. einer Verdichterstufe angesaugt, die direkt mit dem Mitteldruckbehälter verbunden ist.
- Transkritische R744-Boosteranlagen mit Parallelverdichtung haben typischerweise vier verschiedene Druckniveaus und setzen sich zusammen aus:
- einer Tiefkühl-Verdichterstufe
- einer Normalkühl-Verdichterstufe
- einer Parallel-Verdichterstufe
- Der oder die Hochdruck-Ejektoren werden ausgangs des Gaskühlers vor dem Mitteldruckbehälter installiert und nutzen den Verdichtermassenstrom mit der in der Anlage größtmöglichen Druckdifferenz.
- Parallel zum Ejektor kann optional ein mechanisches Hochdruckregelventil für den Notbetrieb installiert werden.
- Im Mitteldruckbehälter werden Gas- und Flüssigkeitsphase getrennt ① (siehe Information). Die Flüssigkeit aus dem Mitteldruckbehälter wird wie gewohnt den Verdampfern der Tiefkühl - und Normalkühl-Verdichterstufe zugeführt.
Der Massenstrom der Verdampfer der Tiefkühl-Verdichterstufe wird nach Expansion und Wärmeaufnahme in den Verdampfern, von der Tiefkühl-Verdichterstufe aufgenommen und wieder auf Saugdruckniveau der Normalkühl-Verdichterstufe verdichtet. - Auf der Saugseite der Normalkühl-Verdichterstufe kann entweder:
- eine Überhitzungsregelung eingesetzt und der Saugmassenstrom des Ejektors direkt gasförmig angesaugt werden oder
- ein Abscheider eingesetzt werden, für den Betrieb mit teilüberflutetem Verdampfer, der den Betrieb der Normalkühl-Kühlstellen mit geringer Überhitzung ermöglicht.
In diesem Fall ist der Ejektor ein Flüssigkeitsejektor, der den Anteil an überschüssiger Flüssigkeit aus dem Verdampfern der Normalkühl-Verdichterstufe zurück in den Mitteldruckbehälter fördert. Es muss eine Ölrückführleitung am Abscheider angeschlossen sein!
Im Betrieb außerdem beachten, dass:
- der Ejektor den optimalen Hochdruck auch im Teillastbetrieb mit sehr niedriger Last und bei niedrigen Außentemperaturen über einer Regelkennlinie regelt.
- durch diese Regelung des Hochdrucks, das Massenstromverhältnis (Entrainment) beeinflusst wird. Dies kann dazu führen, dass im Teillastbetrieb kein Saugmassenstrom vom Ejektor gefördert wird!
Es sind zwei verschiedenen Schaltungen der Anlage möglich:
- Betrieb mit Hochdruck-Ejektor(en) bei hohen Lastanforderungen und Gaskühleraustrittstemperaturen > 25°C:
- Der Massenstrom des Verdampfers der Normalkühl-Verdichterstufe wird nach Expansion und Wärmeaufnahme in den Verdampfern, von dem Ejektor / den Ejektoren aufgenommen und bildet den Saugmassenstrom. Dieser wird anschließend von Normalkühl-Saugdruck auf Mitteldruck verdichtet.
- Das Flash-Gas-Bypass-Ventil, zwischen dem Mitteldruckbehälter und der Normalkühl-Saugseite, ist geschlossen, wodurch die Normalkühl-Verdichterstufe entlastet wird.
- Durch den erzeugten Druckhub der Ejektor-Verdichtungsstufe reduziert sich das Druckverhältnis für die Verdichtung des Massenstroms (thermodynamisch wird von einem "Temperaturhub" gesprochen). Gleichzeitig erhöht sich die Sauggasdichte, wodurch der energetische Vorteil der Parallelverdichtung seine Wirkung entfaltet. Der Druck im Mitteldruckbehälter wird dabei von der Parallel-Verdichterstufe geregelt.
- Bei Anlagen mit teilüberfluteten Verdampfern und einem Abscheider, muss der Ejektor lediglich den Flüssigkeitsüberschuss zurück zum Mitteldruckbehälter fördern. Der energetische Vorteil liegt hierbei hauptsächlich in der erhöhten Verdampfungstemperatur durch die volle Ausnutzung der Wärmeübertragefläche. Eine Überhitzungsregelung ist in diesem Fall nicht nötig.
- Standardbetrieb ohne Hochdruck-Ejektor(en) bei geringen Lastanforderungen und Gaskühleraustrittstemperaturen < 25°C:
- Beim Standardbetrieb mit Flash-Gas-Bypass-Betrieb ist das Regelventil (z. B. Magnetventil, oder Motorventil) vor dem Sauganschluss des Ejektors geschlossen.
- Die Parallel-Verdichterstufe ist außer Betrieb und das Flash-Gas-Bypass-Ventil regelt den Druck im Mitteldruckbehälter durch Expansion des Flash-Gases auf Normalkühl-Saugdruck.
- Der Massenstrom des Normalkühl-Verdampfers und der Flash-Gas-Massenstrom werden von der Normalkühl-Verdichterstufe aufgenommen und verdichtet.
- Damit die Normalkühl-Verdichterstufe bei geringen Lasten und geringen Umgebungstemperaturen mit niedrigeren Hochdrücken betrieben werden kann, kann es vorteilhaft sein, parallel zu, Ejektor / zu den Ejektoren ein Hochdruckregelventil zu installieren (siehe folgendes, vereinfachtes Schema).
