Anlagenausführung A
Standard-Ejektor-Anlage
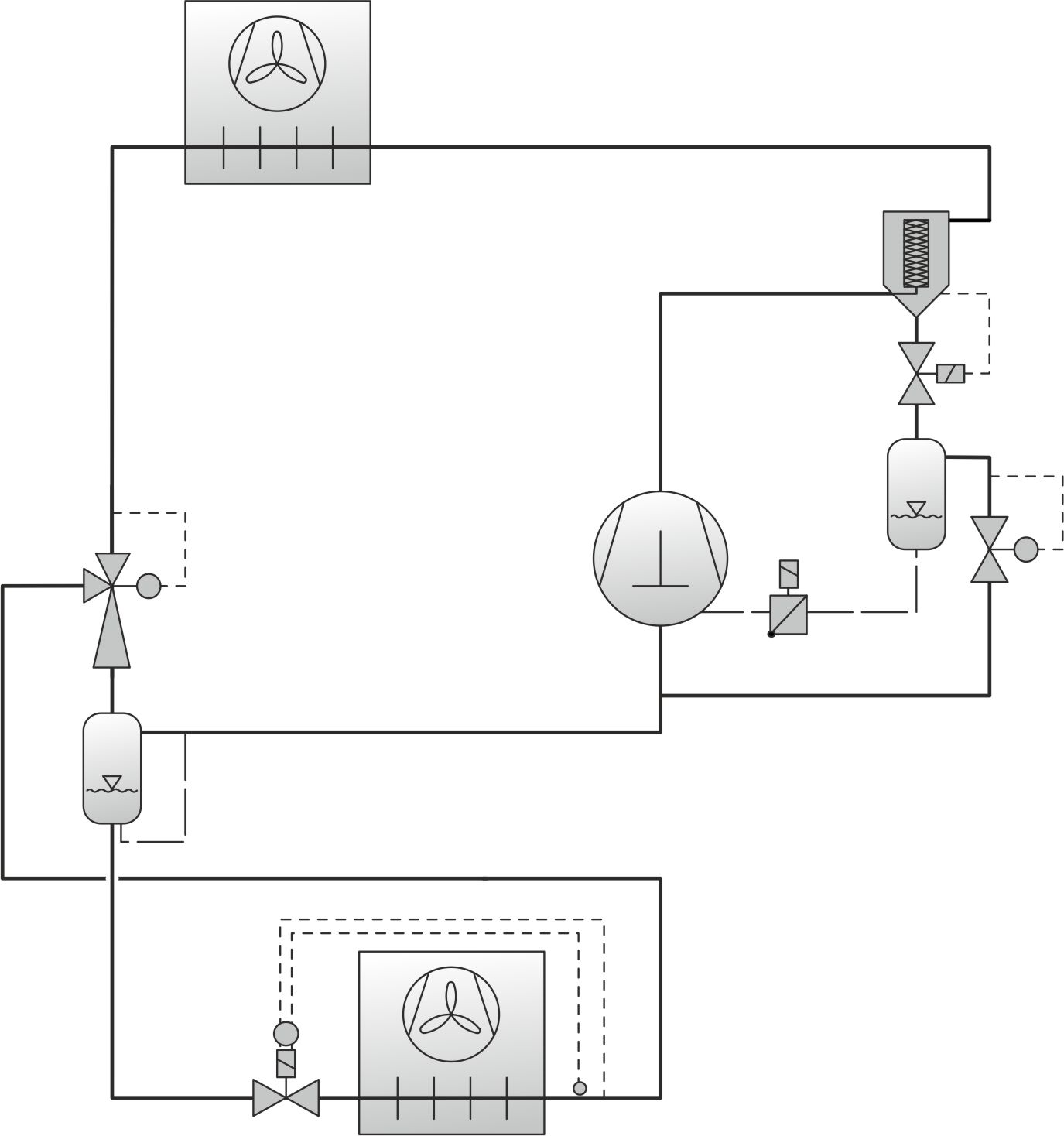
Standard-Anlagenausführung bei Einsatz von R744 in Wärmepumpen- und Kälteanlagen mit einstufiger Verdichtung und Expansion. Typischerweise mit nur einem Verdampfer.
Weitere Merkmale dieser Anlagenausführung:
- Der Abscheider befindet sich auf Mitteldruck und wird im weiteren Verlauf der Beschreibung als Mitteldruckbehälter bezeichnet, siehe Abbildung unten.
- Im Ejektor geschieht eine polytrope Expansion des Treibmassenstroms ① (siehe Information) auf ein Druckniveau unterhalb des Verdampfungsdrucks in der Düse.
- Der Saugmassenstrom wird über den Ejektor angesaugt und in der Mischkammer mit dem Treibmassenstrom zusammengeführt (Funktionsweise).
- Im Diffusor findet die Druckerhöhung auf Mitteldruck statt (Funktionsweise).
- Der Austrittsmassenstrom strömt anschließend in den Mitteldruckbehälter. Flüssigkeit und Gas werden voneinander getrennt.
- Der Flüssigkeitsmassenstrom expandiert vor dem Verdampfer auf Verdampfungsdruck und entspricht dem Saugmassenstrom des Ejektors.
- Je nach Anlagenausführung kann dabei eine Überhitzungsregelung eingesetzt oder ein Betrieb mit überflutetem Verdampfer erfolgen.
- Der Flash-Gas-Massenstrom, der dem Treibmassenstrom des Ejektors entspricht, wird als Sattdampf vom Verdichter angesaugt und auf Hochdruckniveau verdichtet.
- Um den Anteil an Kältemittelflüssigkeit in der Ölrückführleitung möglichst gering zu halten, muss eine Ölrückführleitung am Mitteldruckbehälter angeschlossen und das Polyalkylen-Glykol-Öl BSG68K von BITZER verwendet werden.
Außerdem: Wärmeübertrager in die Ölrückführleitung einbauen! - Je nach Anlagenausführung kann ein geregelter, oder ungeregelter Ejektor eingesetzt werden. Der geregelte Ejektor kann auch zur Optimierung des Hochdrucks genutzt werden.
① Die zur Verfügung stehende Druckdifferenz ist bei luftgekühlten Anlagen von der Gaskühleraustritts-temperatur und dem Druck im Mitteldruckbehälter abhängig.
Die Gaskühleraustrittstemperatur hängt dabei wiederum von der Umgebungstemperatur und gaskühlerspezifischen Kriterien wie Wärmeabgabeleistung, Fläche und Luftvolumenstrom ab. Bei hohen Gaskühleraustrittstemperaturen ist die für den Ejektor verfügbare potentielle und kinetische Energie höher, als bei niedrigeren Temperaturen. Die untere Einsatzgrenze des Ejektors / der Ejektoren wird von einer minimalen Temperatur am Austritt des Gaskühlers definiert. Unterhalb dieser Temperatur bzw. der entsprechenden Druckdifferenz arbeitet der Ejektor nicht mehr zufriedenstellend, da die an der Düse zur Verfügung stehende Energie des Triebmassenstroms nicht mehr ausreicht, um eine Druckerhöhung des Saugmassenstroms zu ermöglichen.
