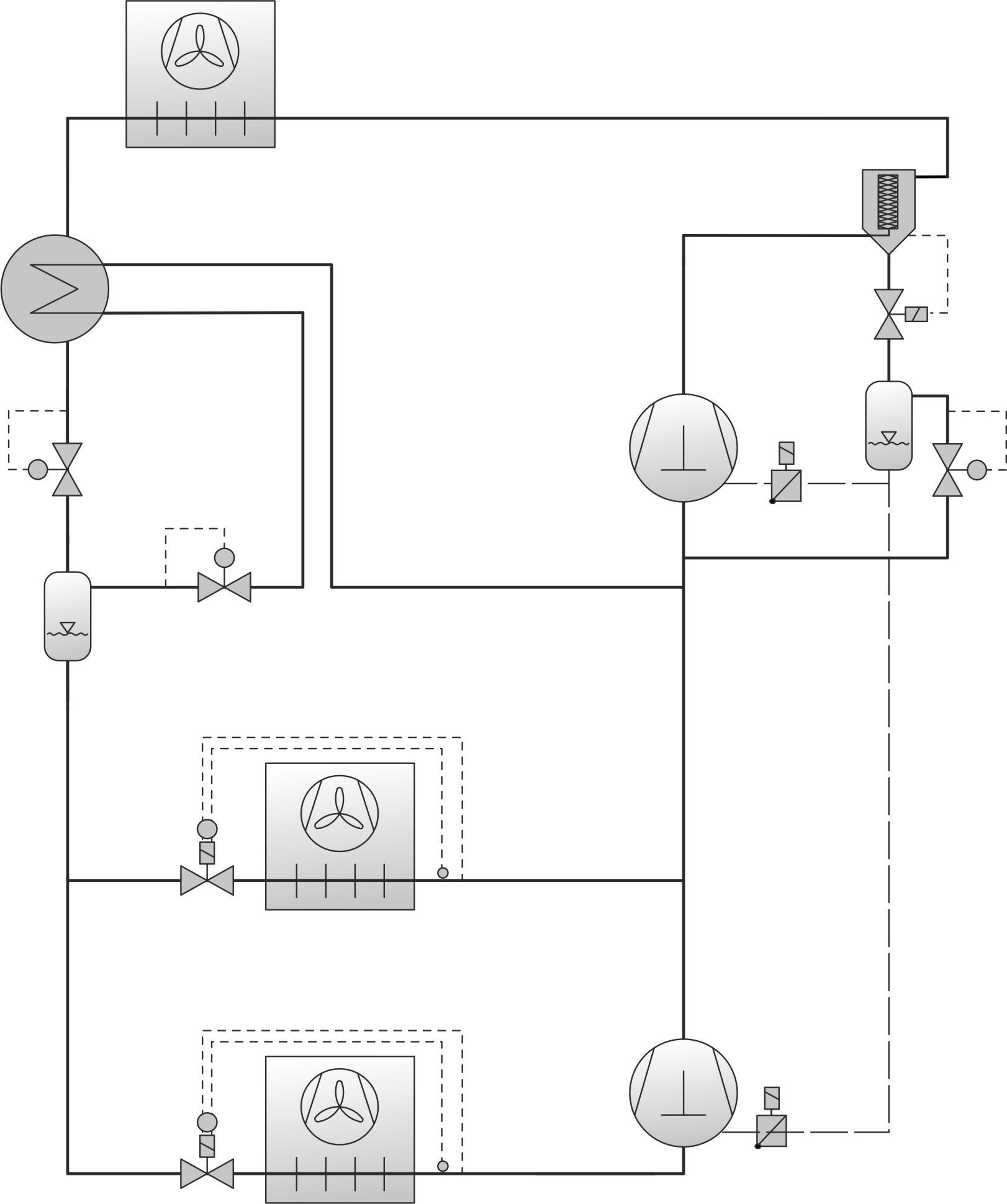
Booster-Anlage für Normal- und Tiefkühlung mit Flash-Gas-Bypass
Im Jahr 2008 wurden Anlagen mit "Flash-Gas-Bypass (FGB)" auch aufgrund ihres einfachen Aufbaus zu Standard-R744-Anlagenausführungen.
- Anlagen mit einstufiger Verdichtung, zweistufige Expansion und Flash-Gas-Bypass für ein Nutztemperaturniveau z. B. Normalkühlung.
- Diese Anlagenausführung sieht einen Abscheider vor, in dem flüssiges und gasförmiges R744 voneinander getrennt werden. Er befindet sich auf Mitteldruck und wird im weiteren Verlauf der Beschreibung als Mitteldruckbehälter bezeichnet.
- Der Druck im Inneren des Mitteldruckbehälters wird durch ein Flash-Gas-Bypass-Ventil geregelt. Das Druckniveau liegt dabei über dem erforderlichen Verdampfungsdruck/über dem Saugdruck der Normalkühl-Verdichter.
- Üblicherweise wird die Anlage aber als Booster-Anlage für zwei unterschiedliche Nutztemperaturniveaus, z. B. Normalkühlung und Tiefkühlung, aufgebaut und genutzt.
- Sie setzt sich u. a zusammen, aus:
- zwei Verdichterstufen (Normalkühl- und Tiefkühl-Verdichterstufe)
- mit einem gemeinsamen Kältemittel- und Ölkreislauf
- mit zweistufiger Expansion für jedes Verdampfertemperaturniveau/Verdampferdruckniveau
- einem Mitteldruckbehälter und
- Flash-Gas-Bypass.
- Eine zweistufige Verdichtung wird dabei durch zwei in Reihe geschaltete einstufige Verdichter erzielt.
- Der Betrieb dieser Standard-Anlage kühlt mit Hilfe trockener Verdampfer ("Trockenexpansion").
- Die Tiefkühl-Verdichterstufe in einer Booster-Anlage ist eine subkritische Anwendung.
Weitere Merkmale einer Booster-Anlage mit Flash-Gas-Bypass
- Nach Durchströmen des Gaskühlers/Verflüssigers wird das Kältemittel mit Hilfe eines Hochdruckregelventils in den Mitteldruckbehälter auf Mitteldruck entspannt, Gas- und Flüssigkeitsphase werden voneinander getrennt:
- der entstandene Drosseldampf wird über ein Flash-Gas-Bypass-Ventil den Verdichtern der Normalkühl-Verdichterstufe zugeführt,
- die Flüssigkeit wird zu den Verdampfern der Tief- und Normalkühlung geleitet.
- Durch diesen Flash-Gas-Bypass kann der Mitteldrucks auf einen definierten Sollwert abgesenkt werden (z. B. 35 .. 40 bar). Allerdings reduziert sich dann auch der Massenstrom vom Mitteldruckbehälter zu den Verdampfern. Durch die erhöhte verfügbare Enthalpiedifferenz bei der Verdampfung wird das aber wieder kompensiert.
- Anders als bei einem einfachen Kältemittelkreislauf oder einer Kaskadenanlage ist die Temperatur des flüssigen Kältemittels dabei höher als die Sättigungstemperatur auf der Hochdruckseite der Tiefkühl-Verdichter. Dadurch steht den Verdampfern weniger Verdampfungsenthalpie zur Verfügung, was bei der Auswahl der Verdichter durch einen höheren Massenstrom unbedingt berücksichtigt werden muss!
- Da die Tiefkühl-Verdichter das Kältemittel direkt in den Saugkollektor der Normalkühl-Verdichterstufe einspeisen, ist die spezifische Verdichtungsarbeit durch das niedrigere Druckverhältniss geringer als bei einer Kaskadenanlage.
- Die Sauggastemperatur eines Verdichters der Normalkühl-Verdichterstufe ergibt sich aus den drei Massenströmen Tiefkühl-Massenstrom, Normalkühl-Massenstrom und Massenstrom des Drosseldampfs, die alle unterschiedliche Temperaturen haben.
Wichtige Punkte bei der Anlagenplanung und Anlagenauslegung
Entscheidend bei der Planung und Auslegung von R744-Booster-Anlagen ist neben der Betriebssicherheit und Effizienz, der Einfluss unterschiedlicher Lastzustände im Betrieb.
- Es müssen immer die extremsten Lastzustände ("worst case Bedingungen") berechnet und berücksichtigt werden, d. h.:
- Sowohl die Volllastbedingungen bei maximalen Umgebungstemperaturen über mehrere Stunden (Simultanbetrieb / Gleichzeitigkeitsfaktor 0,8..0,85), als auch die
- Betriebsbedingungen bei Minimallast bei niedrigen Umgebungstemperaturen und innerhalb/außerhalb der Laden-Öffnungszeiten ("shop open" und "shop closed").
Anhand dieser Berechnungen ist es möglich, folgende Fragen zu beantworten:
- Ist die Leistungsregelung der Verdichter optimal eingestellt? (Leistungsregelung).
- Kann beispielsweise eine hohe Regelgüte (CF) (Parameter und Empfehlungen für eine optimale Anlageneffizienz und Betriebssicherheit) mit minimalen Leistungsänderungen beim Zu- und Wegschalten von Folgeverdichtern erreicht werden?
- Kann ein stabiler Betrieb ohne häufiges Anlaufen und Abschalten des Verdichters/der Verdichter bei minimalen Lastbedingungen gewährleisten werden?
- Liegen die Sauggas- und Druckgastemperaturen innerhalb der Einsatzgrenze(n) des Verdichters/der Verdichter?
Um die Betriebsbedingungen zu optimieren und kritische Betriebszustände zu vermeiden, müssen unter Umständen zusätzliche Komponenten wie innerer Wärmeübertrager, Druckgasenthitzer, eine erhöhte Anzahl an Verdichtern oder Zusatzsysteme wie Flüssigkeitseinspritzung in Betracht gezogen werden.
- Kritische Betriebszustände hervorgerufen durch ungünstige Lastzustände sind dabei:
- Eine niedrige Last bei den Verdampfern der Normalkühl-Verdichterstufe und gleichzeitig eine hohe Last bei den Verdampfern der Tiefkühl-Verdichterstufe:
- Dies führt zu hohen Sauggastemperaturen bei den Normalkühl-Verdichtern und beeinflusst damit die Motorkühlung und Druckgastemperatur und
- Der umgekehrte Fall, also eine hohe Last bei den Verdampfern der Normalkühl-Verdichterstufe und gleichzeitig eine niedrige Last bei den Verdampfern der Tiefkühl-Verdichterstufe:
- Dies führt zu niedrigen Sauggastemperaturen mit niedrigen Ölsumpftemperaturen und möglichem Nassbetrieb durch zu viel Flüssiganteile im Drosseldampf.

Flash-Gas-Bypass (vereinfachte Darstellung)
im p, h-Diagramm
Tiefkühl-Verdichterstufe:
1-2 | Verdichtung |
2-3 | Enthitzung |
4-11 | Expansion |
11-12 | Verdampfung |
12-1 | Überhitzung Sauggasleitung |
Normalkühl-Verdichterstufe:
1-2 | Verdichtung |
2-4 | Gaskühlung/Verflüssigung |
4-5 | Interner Wärmeübertrager / Unterkühlung |
5-7 | Entspannung auf Mitteldruck |
7-8 | Flüssigkeitsaustritt am Mitteldruckbehälter |
8-11 | Entspannung auf Verdampfungsdruck |
11-12 | Verdampfung |
12-1 | Gesamt-Überhitzung |
7-15 | Gasaustritt am Mitteldruckbehälter |
15-16 | Expansion auf Verdampfungsdruck |