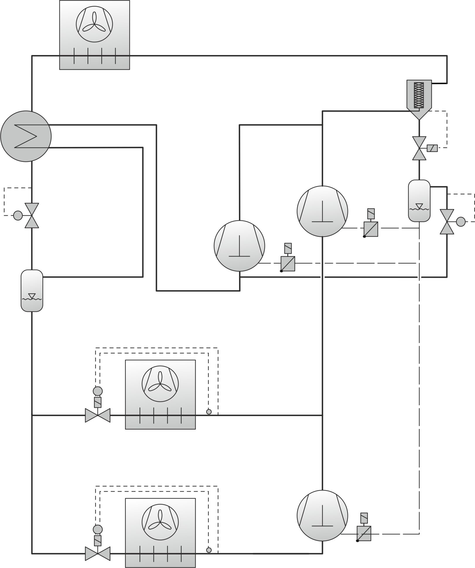
Booster-Anlage für Normal- und Tiefkühlung mit Parallelverdichtung
- Das Prinzip der Parallelverdichtung reduziert das erforderliche Druckverhältnis, um den Drosseldampf wieder auf Hochdruckniveau zu verdichten. Es verringert aber weder die Menge des Drosseldampfs auf Mitteldruckniveau, noch die Verluste bei der Drosselung.
- Der Drosseldampf wird also mit einem höheren Druckniveau von einem eigenen Parallel-Verdichter bzw. einer eigenen Parallel-Verdichterstufe angesaugt, der/die direkt mit dem Mitteldruckbehälter verbunden ist.
- Im Mitteldruckbehälter werden Gas- und Flüssigkeit getrennt. Die Flüssigkeit wird wie gewohnt den Verdampfern der Tiefkühl - und Normalkühl-Verdichterstufe zugeführt.
- Der Massenstrom der Verdampfer der Tiefkühl-Verdichterstufe wird nach Expansion und Wärmeaufnahme in den Verdampfern, von der Tiefkühl-Verdichterstufe aufgenommen und wieder auf Saugdruckniveau der Normalkühl-Verdichterstufe verdichtet.
- Der höhere Wirkungsgrad einer Booster-Anlage mit Parallelverdichtung beruht also auf einem kleineren Druckverhältnis bei der Verdichtung des Drosseldampfs und einer höheren Dichte des zu verdichtenden Dampfes. Dadurch ist für die Verdichtung des aus dem Mitteldruckbehälter angesaugten Dampfes ein geringerer geometrischer Fördervolumenstrom erforderlich.
- Transkritische R744-Booster-Anlagen mit Parallelverdichtung haben typischerweise vier verschiedene Druckniveaus und setzen sich zusammen aus:
- dem Tiefkühl-Saugdruck
- dem Normalkühl-Saugdruck
- dem Mitteldruck
- dem Gaskühler-Hochdruck
- Dies alles in den jeweiligen Verdichterstufen:
- Tiefkühl-Verdichterstufe:
aus Tiefkühl-Saugdruck und Normalkühl-Saugdruck. Der Normalkühl-Saugdruck entspricht dabei dem Verdichtungsenddruck der Tiefkühl-Stufe. - Normalkühl-Verdichterstufe:
aus Normalkühl-Saugdruck und Gaskühler-Hochdruck - Parallel-Verdichterstufe:
aus Mitteldruck und Gaskühler-Hochdruck - Alle Verdichterstufen haben einen gemeinsamen Kältemittel- und Ölkreislauf.
- Zur Sicherheit und Regelung brauchen Anlagen mit Parallelverdichtung ein Flash-Gas-Bypass-Ventil.
- Um eine ausreichend hohe Sauggasüberhitzung (3 .. 5 K bei Vollast im Sommer) des vom Parallelverdichter angesaugten Drosseldampfs zu erreichen, sollte ein innerer Wärmeübertrager zwischen Gaskühleraustrittsleitung und Saugleitung der Parallelverdichter installiert werden.
- Dadurch erhöht sich die Ölsumpftemperatur während sich die Menge an im Öl gelösten Kältemittel im Kurbelgehäuse des Verdichters verringert. Dies ist v. a bei Betrieb von Anlage bei niedrigen Temperaturen vorteilhaft.
Wichtige Punkte bei der Anlagenplanung und Anlagenauslegung
- Folgende Kriterien können den Betrieb einer Booster-Anlage mit Parallelverdichtung einschränken:
- die Einsatzgrenze des/der Parallelverdichter(s) bei höherem Saugdruck.
- die minimal mögliche Frequenz des/der Parallelverdichter(s) mit Leistungsregelung (Leistungsregelung mit Frequenzumrichter).
- Der Wirkungsgrad der Anlage wird durch einen optimierten Mitteldruck − in Abhängigkeit vom Hochdruck, der Gaskühleraustrittstemperatur oder Umgebungstemperatur − weiter verbessert.
Ein optimierter Mitteldruck bedeutet, dass der Sollwert für den Mitteldruck variabel geregelt wird. Idealerweise wird er immer so hoch wie möglich eingestellt. Dadurch können der oder die Parallelverdichter länger betrieben werden, ohne dabei in eine der beiden oben erwähnten Begrenzungskriterien zu geraten. Gleichzeitig verbessert sich die Effizienz/der COP der Anlage. - Abhängig von verschiedenen Lastzuständen, muss der Übergangsbereich von Flash-Gas-Betrieb zu Parallelverdichtung bestimmt werden. Bei Betrieb mit Wärmerückegewinnung (WRG) sollten alle zu erwartenden Betriebsszenarien bzw. Lastzustände in Betracht gezogen werden ("shop open", "shop closed", mit Wärmerückgewinnung (WRG), ohne Wärmerückgewinnung (WRG) etc.).
- Wenn keine Parallelverdichtung möglich ist, z. B. bei mittleren Umgebungstemperaturen, müssen die Normalkühl-Verdichter trotzdem in der Lage sein die benötigte Kälteleistung zu liefern!

Parallelverdichtung (vereinfachte Darstellung)
im p, h-Diagramm
Tiefkühl-Verdichterstufe:
1-2 | Verdichtung |
2-3 | Enthitzung |
4-11 | Expansion |
11-12 | Verdampfung |
12-1 | Überhitzung Sauggasleitung |
Normalkühl-Verdichterstufe:
1-2 | Verdichtung |
2-4 | Gaskühlung/Verflüssigung |
4-5 | Interner Wärmeübertrager / Unterkühlung |
5-7 | Entspannung auf Mitteldruck |
7-8 | Flüssigkeitsaustritt am Mitteldruckbehälter |
8-11 | Entspannung auf Verdampfungsdruck |
11-12 | Verdampfung |
12-1 | Gesamt-Überhitzung |
7-15 | Gasaustritt am Mitteldruckbehälter |
Paralell-Verdichterstufe:
21-22 | Verdichtung |
23-21 | Interner Wärmeübertrager / Überhitzung |
24 | Eintrittstemperatur in den Gaskühler |