Ejektor in High-Lift-Anwendungen
Ejektoren in High-Lift-Anwendungen werden eingesetzt um einen möglichst hohen Druckhub bei niedrigerer Förderleistung zu erreichen. Hierbei sind der Druckhub sowie der zu fördernde Saugmassenstrom die limitierenden Faktoren und müssen in der Anlage so ausbalanciert werden, dass eine möglichst hohe Effizienz erreicht wird.
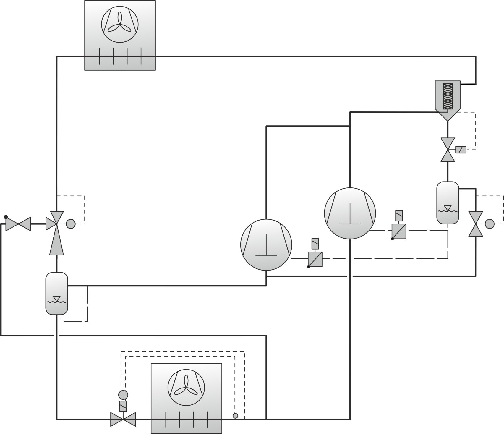
Ejektoren in High-Lift-Anwendungen werden in der Regel zur Förderung von überhitztem Gas eingesetzt, da sie nicht den gesamten Massenstrom aus dem Verdampfer fördern und ein Teilmassenstrom weiterhin von den Normalkühl-Verdichtern gefördert werden muss. Der vom Ejektor geförderte Teilmassenstrom wird in den Mitteldruckbehälter der Anlage zurückgeführt, der hier auf einem höheren Druckniveau als bei einer Low-Lift-Variante gehalten wird. Das Gas wird dort von den Parallel-Verdichtern abgesaugt.
Der Vorteil liegt hier in der Vorverdichtung eines Teils des verdampften Kältemittels und der damit verbundenen Lastverschiebung auf die Parallel-Verdichter, die bei niedrigerem Druckverhältnis und damit effizienter arbeiten.

Auslegungsbeispiel eines High-Lift-Ejektors mit Hilfe der BITZER SOFTWARE siehe hier.