ECOLITE LHL7E




Последняя версия эл. схемы:
15.11.2023
Сокр. | Компонент |
---|---|
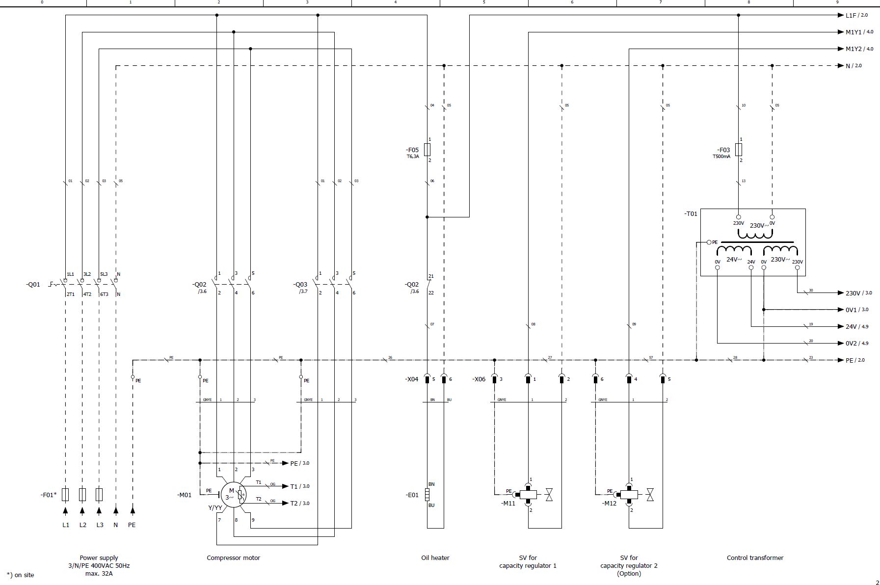
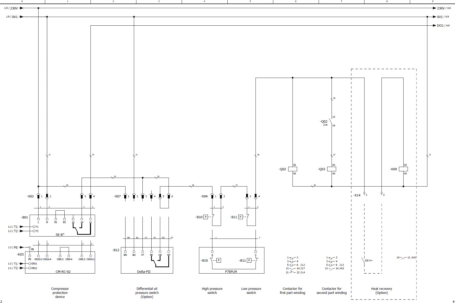
B01 | Защитное устройство компрессора |
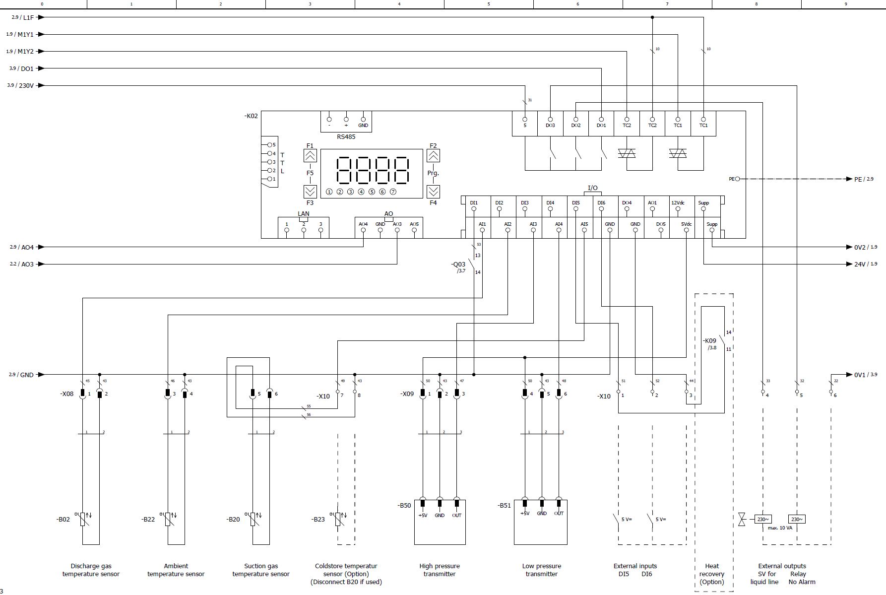
B02 | Датчик температуры нагнетаемого газа/масла |
B10 | Реле высокого давления |
B11 | Реле низкого давления |
B12 | Реле давления масла |
B20 | Датчик температуры всасываемого газа |
B22 | Датчик температуры окружающей среды |
B23 | Датчик температуры в холодильной камере |
B50 | Датчик высокого давления |
B51 | Датчик низкого давления |
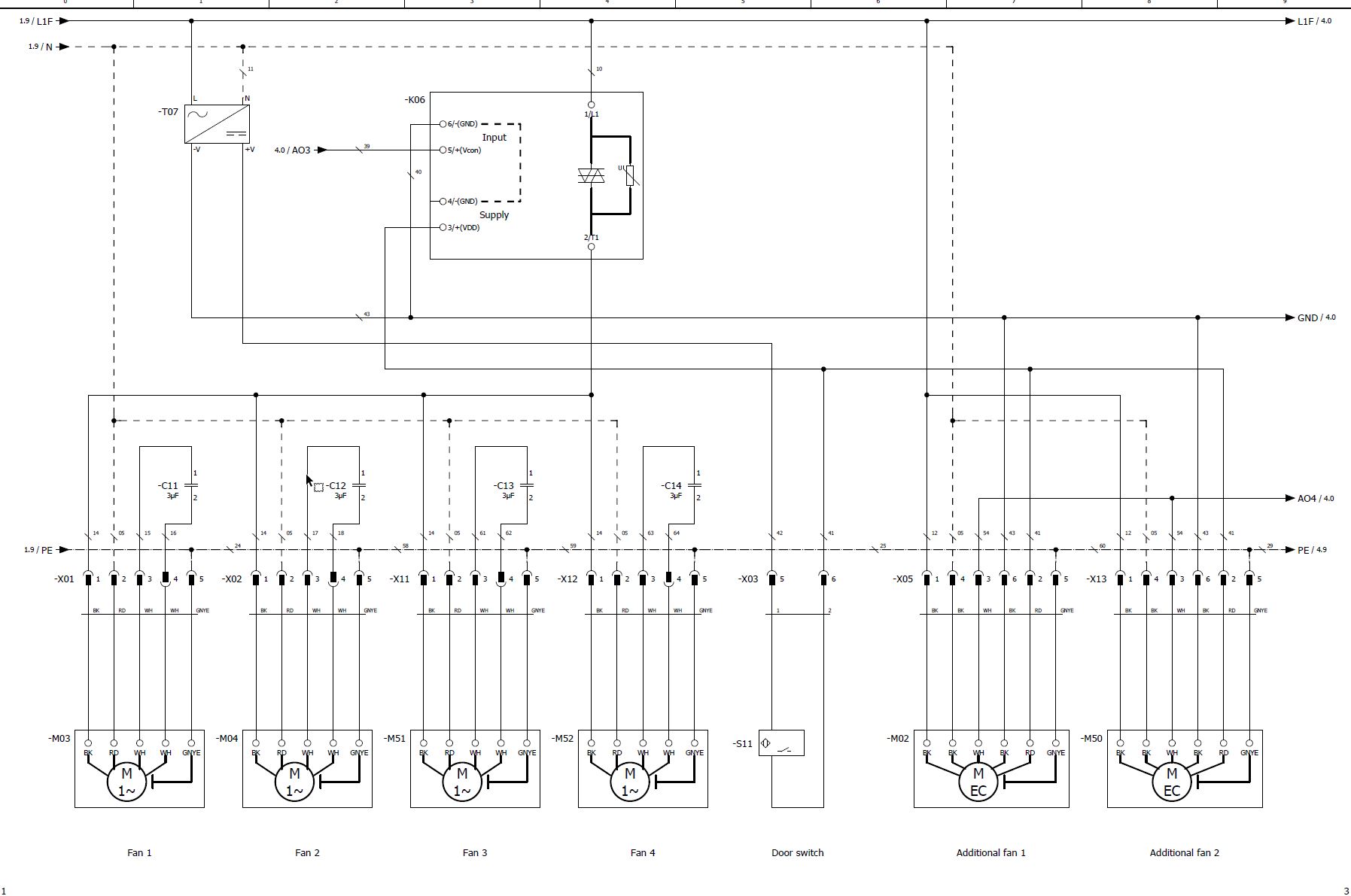
C11 | Рабочий конденсатор для вентилятора 1 |
C12 | Рабочий конденсатор для вентилятора 2 |
C13 | Рабочий конденсатор для вентилятора 3 |
C14 | Рабочий конденсатор для вентилятора 4 |
E01 | Подогреватель масла |
F01 | Главный предохранитель |
F03 | Предохранитель цепи управления |
F05 | Предохранитель подогревателя масла |
K02 | Контроллер компрессорно-конденсаторного агрегат |
K03 | Компрессорный модуль |
K06 | Модуль управления вентилятором |
K09 | Вспомогательное реле для рекуперации тепла |
M01 | Мотор компрессора |
M02 | Дополнительный вентилятор |
M03 | Вентилятор 1 |
M04 | Вентилятор 2 |
M11 | Соленойдный клапан для регулятора производительности 1, CR1, CR+, CRII-2 или разгрузки при пуске |
M12 | Соленойдный клапан для регулятора производительности 2, CR2, CR или CRII-1 |
M50 | Дополнительный вентилятор 2 |
M51 | Вентилятор 3 |
M52 | Вентилятор 4 |
Q01 | Главный выключатель |
Q02 | Контактор для первой разделенной обмотки (PW) или главный контактор (Y/Δ) или контактор компрессора при прямом пуске |
Q03 | Контактор второй разделенной обмотки (PW) или контактор для подключения обмотки «треугольником» (Y/Δ) |
S11 | Дверной переключатель |
T01 | Трансформатор цепи управления (пример для 230 V, требуется согл. EN60204-1) |
T07 | Устройство для подачи вспомогательного напряжения |
Техническая документация для дополнительной информации:
- KB-206: Инструкция по эксплуатации Ecolite - Компрессорно-конденсаторные агрегаты с воздушным охлаждением