Эл. схема часть 1

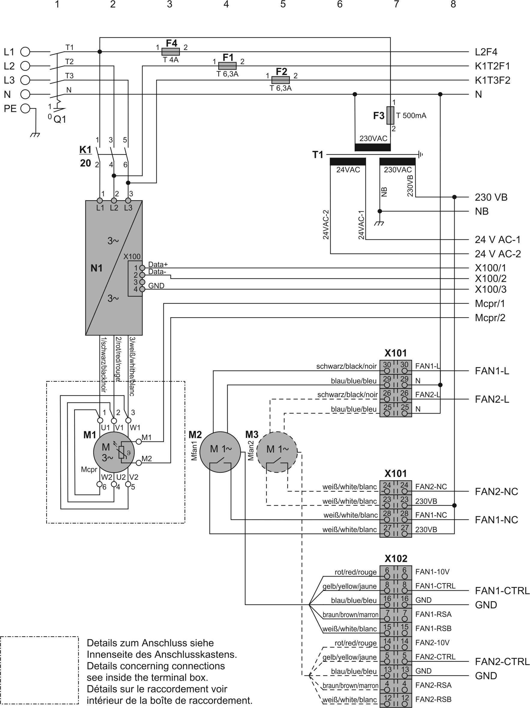
Эл. схема часть 1: Состояние поставки LHV..F1Y
Эл. схема часть 1: Состояние поставки LHV..F1Y
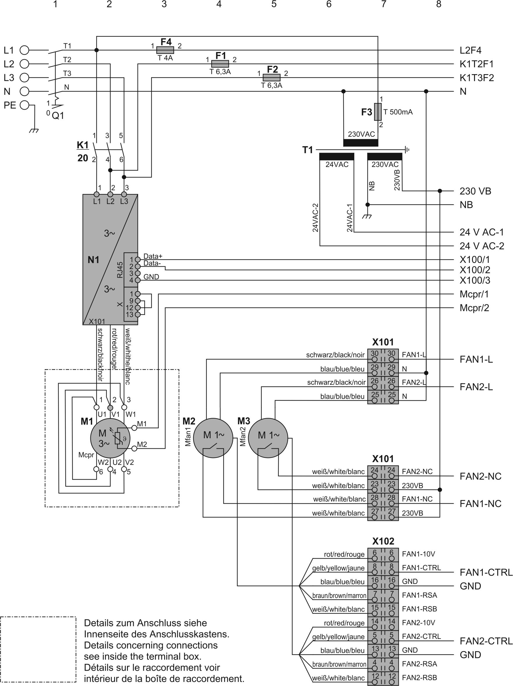
Эл. схема часть 1: Состояние поставки LHV7E..F3Y
Эл. схема часть 1: Состояние поставки LHV7E..F3Y
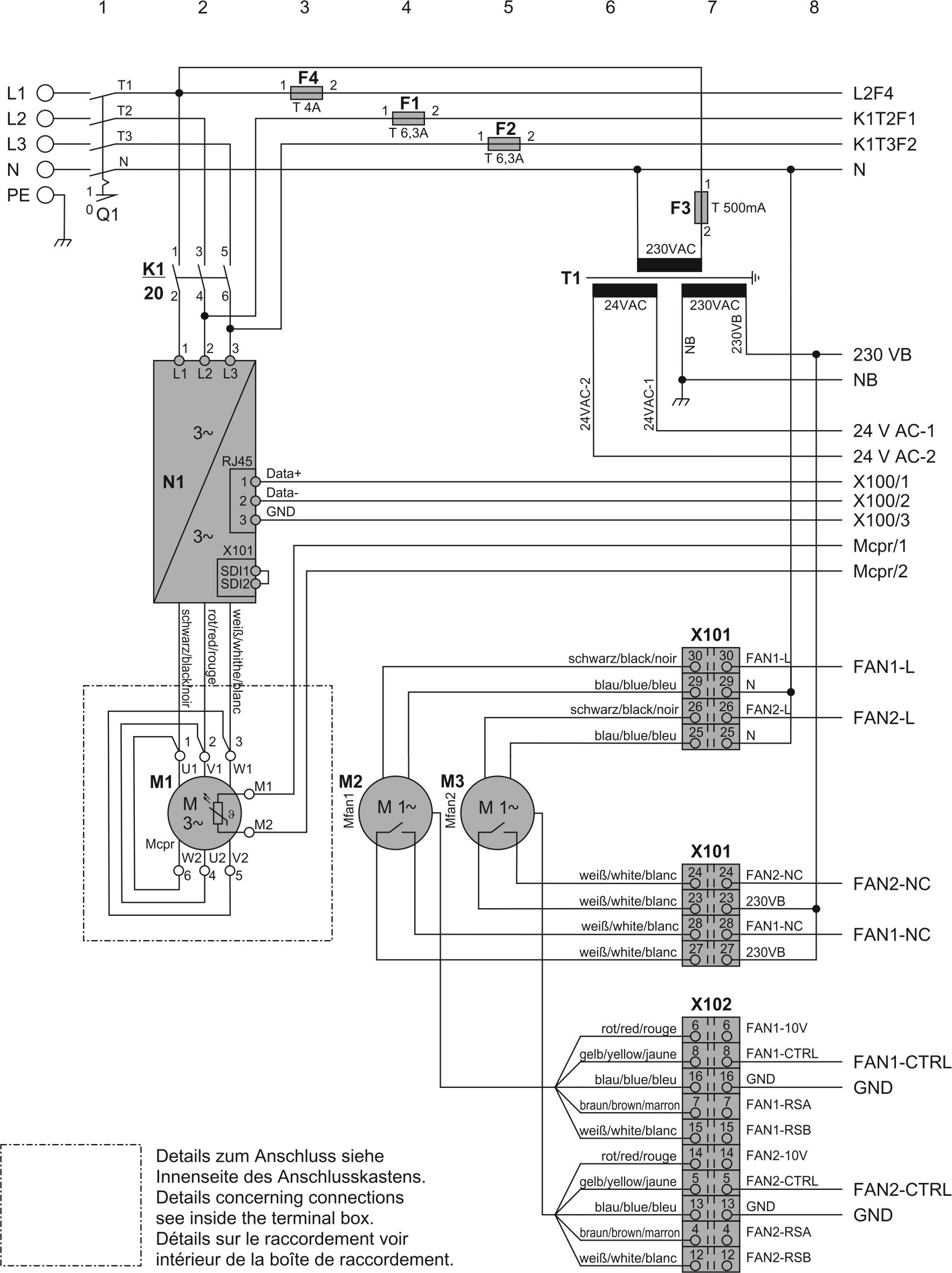
Эл. схема часть 1: Состояние поставки LHV7E..FY
Эл. схема часть 1: Состояние поставки LHV7E..FY