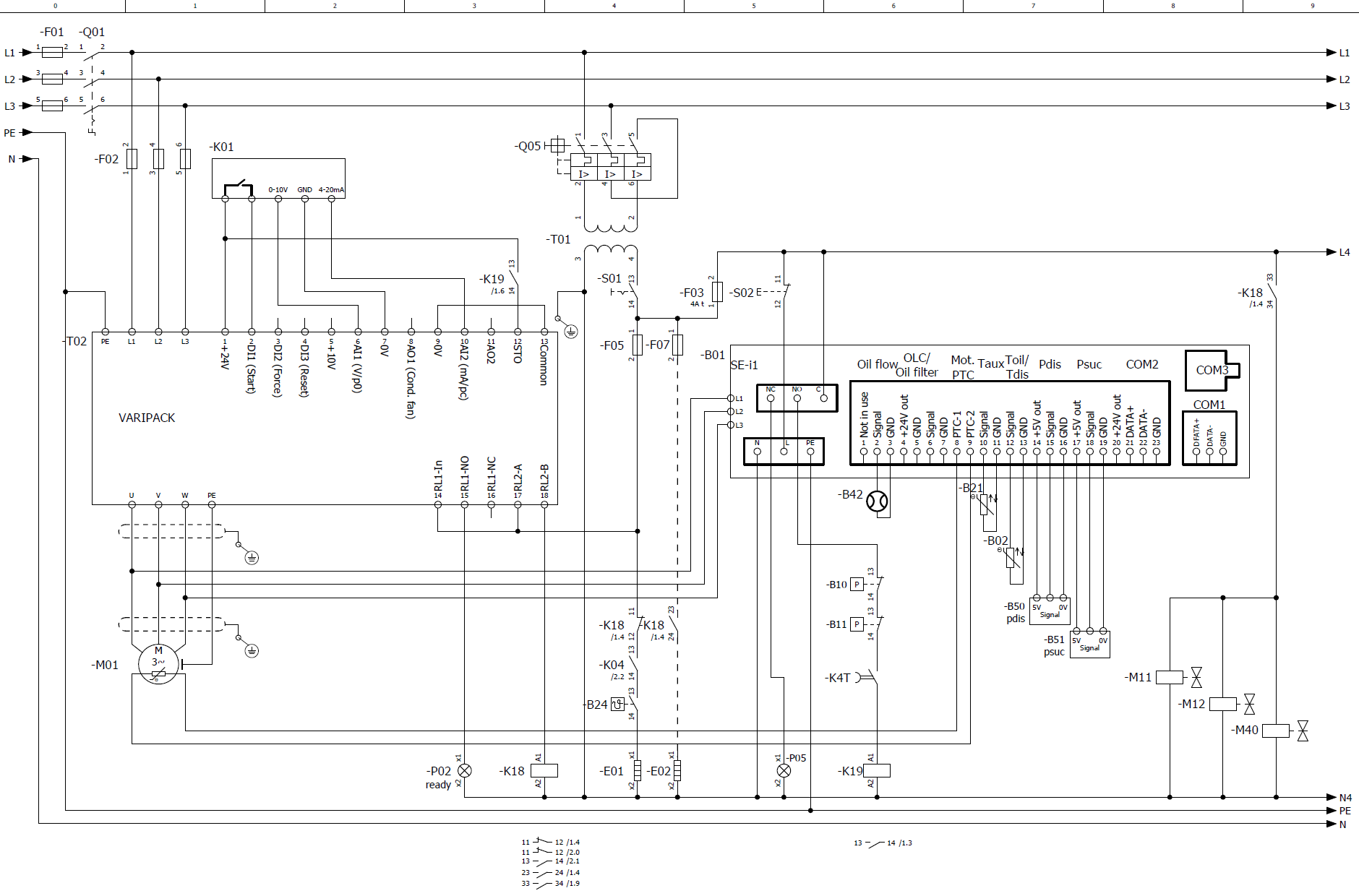
HS.53 .. 74 с VARIPACK и SE-i1

HS.53 .. HS.74 винтовые компрессоры без модуля расширения
HS.53 .. HS.74 винтовые компрессоры без модуля расширения
Мониторинг масла HS.53 .. HS.74 винтовых компрессоров
Мониторинг масла HS.53 .. HS.74 винтовых компрессоров

Последняя версия эл. схемы:

13.07.2021

Сокр.

Компонент

B01

Защитное устройство компрессора

B02

Датчик температуры нагнетаемого газа/масла

B10

Реле высокого давления

B11

Реле низкого давления

B12

Реле давления масла

B21

Опциональный датчик температуры

B24

Масляный термостат

B30

Реле уровня масла

B41

Контроль масляного фильтра

B42

Реле расхода масла

B50

Датчик высокого давления

B51

Датчик низкого давления

B53

Активация ECO

E01

Подогреватель масла

E02

Подогреватель клеммной коробки

F01

Главный предохранитель

F02

Предохранитель компрессора

F03

Предохранитель цепи управления

F05

Предохранитель подогревателя масла

F07

Предохранитель подогревателя клеммной коробки

K01

Вышестоящий контроллер

K04

Вспомогательное реле для контроля масла

K04T

Реле времени для реле уровня масла

K14

Вспомогательное реле

K18

Вспомогательное реле: FI выдает напряжение питания/вращающееся поле для мотора

K19

Вспомогательное реле: подключена цепь защит

K23

Модуль расширения

M01

Мотор компрессора

M03

Вентилятор 1

M06

Соленойдный клапан для экономайзера (ECO)

M11

Соленойдный клапан для регулятора производительности 1, CR1, CR+, CRII-2 или разгрузки при пуске

M12

Соленойдный клапан для регулятора производительности 2, CR2, CR или CRII-1

M13

Соленойдный клапан для регулятора производительности 3, CR3 или CRII-3

M14

Соленойдный клапан для регулятора производительности CR4

M17

Соленойдный клапан для байпаса

M20

Соленойдный клапан для жидкостной линии

M40

Соленойдный клапан в трубопроводе впрыска масла

P02

Лампа: компрессор готов к работе

P04

Лампа: остутствие подачи масла

P05

Лампа: авария компрессора

Q01

Главный выключатель

Q05

Предохранитель разделительного трансформатора

S01

Выключатель управления (вкл./выкл.)

S02

Разблокировка цепи защит компрессора

S04

Разблокировка контроля масла

S13

Температура конденсации: переключение на 2-е заданное значение

S14

Температура испарения: переключение на 2-е заданное значение

T01

Трансформатор цепи управления (пример для 230 V, требуется согл. EN60204-1)

T02

Преобразователь частоты (ПЧ)

Техническая документация для дополнительной информации: