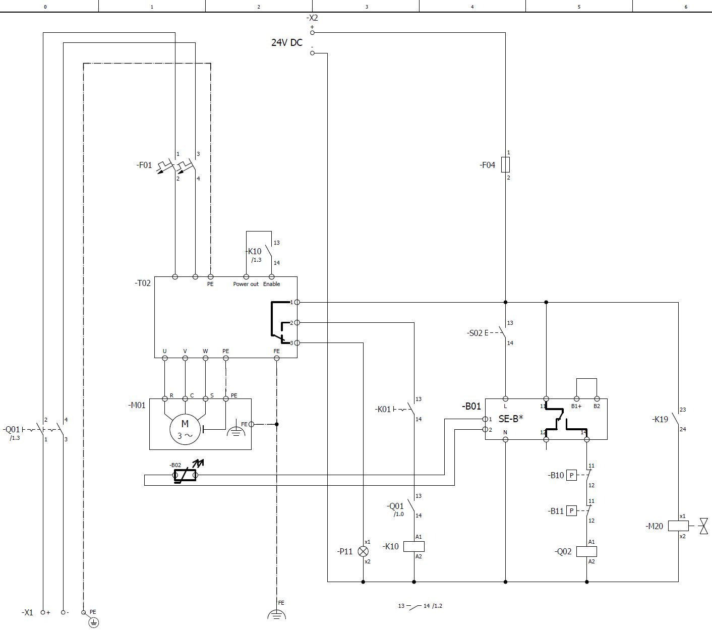
ELV avec SE-B*
Dernière modification du schéma :
02.12.2022
Abbr. | Composant |
---|---|
B01 | Dispositif de protection du compresseur |
B02 | Sonde de température du gaz de refoulement / d'huile |
B10 | Pressostat haute pression |
B11 | Pressostat basse pression |
F01 | Fusible principal |
F04 | Fusible du dispositif de protection du compresseur ou du module du compresseur |
K01 | Régulateur supérieur |
K10 | Relais auxiliaire pour message d'état du compresseur |
K19 | Relais auxiliaire : chaîne de sécurité est activée |
M01 | Moteur du compresseur |
M20 | VM pour conduite de liquide |
P11 | Luminaire : défaut de CF |
Q01 | Interrupteur principal |
Q02 | Contacteur pour premier bobinage (PW) ou contacteur principal (Y/Δ) ou contacteur du compresseur (démarrage direct) |
S02 | Déverrouillage du chaîne de sécurité du compresseur |
T02 | Convertisseur de fréquences (CF) |
Documents techniques complémentaires :
- ESB-320 : Instructions de service Compresseurs à scroll hermétiques accessibles