ECOLITE LHL3E et LHL5E




Dernière modification du schéma :
15.11.2023
Abr. | Composant | |
---|---|---|
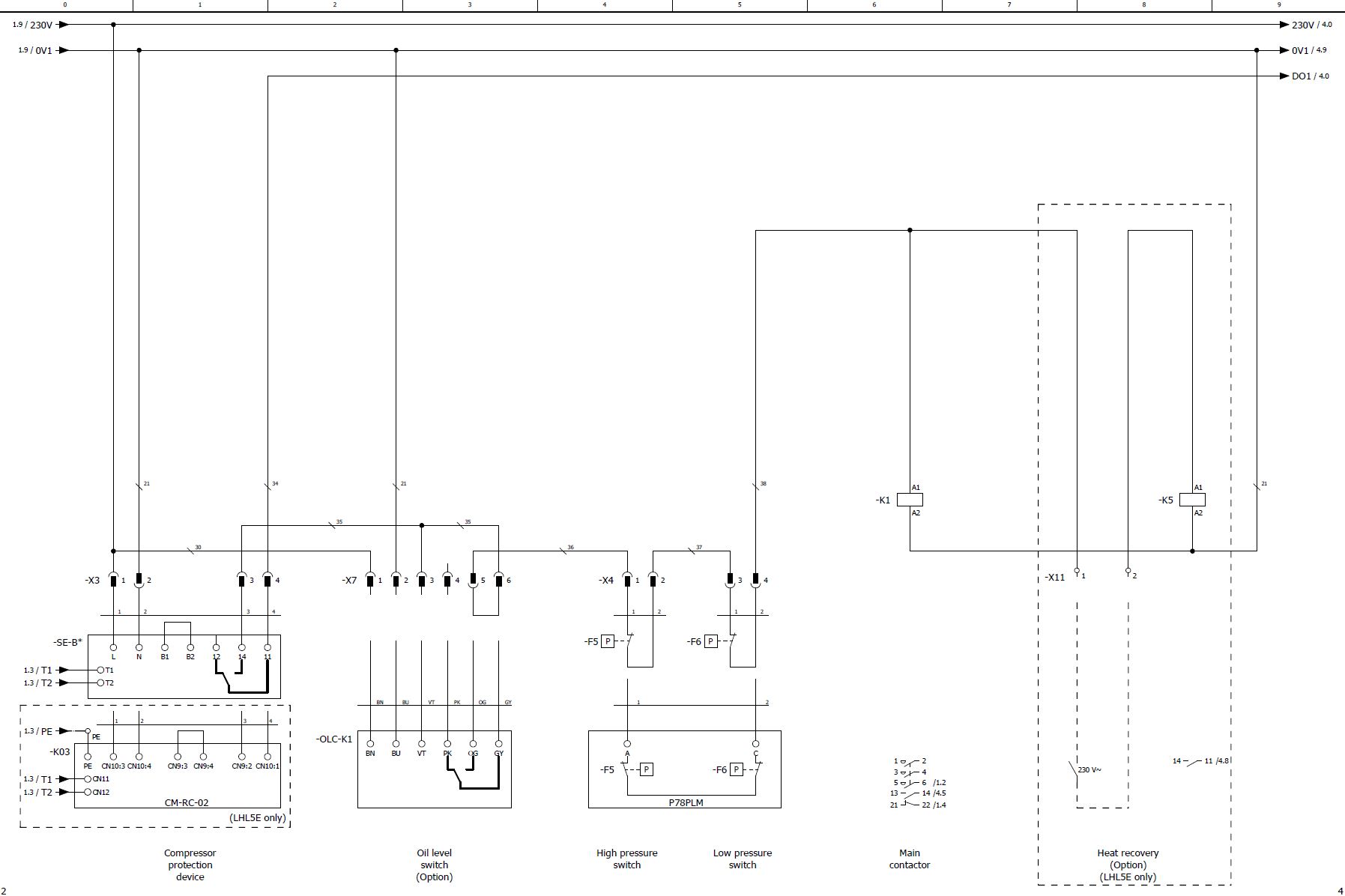
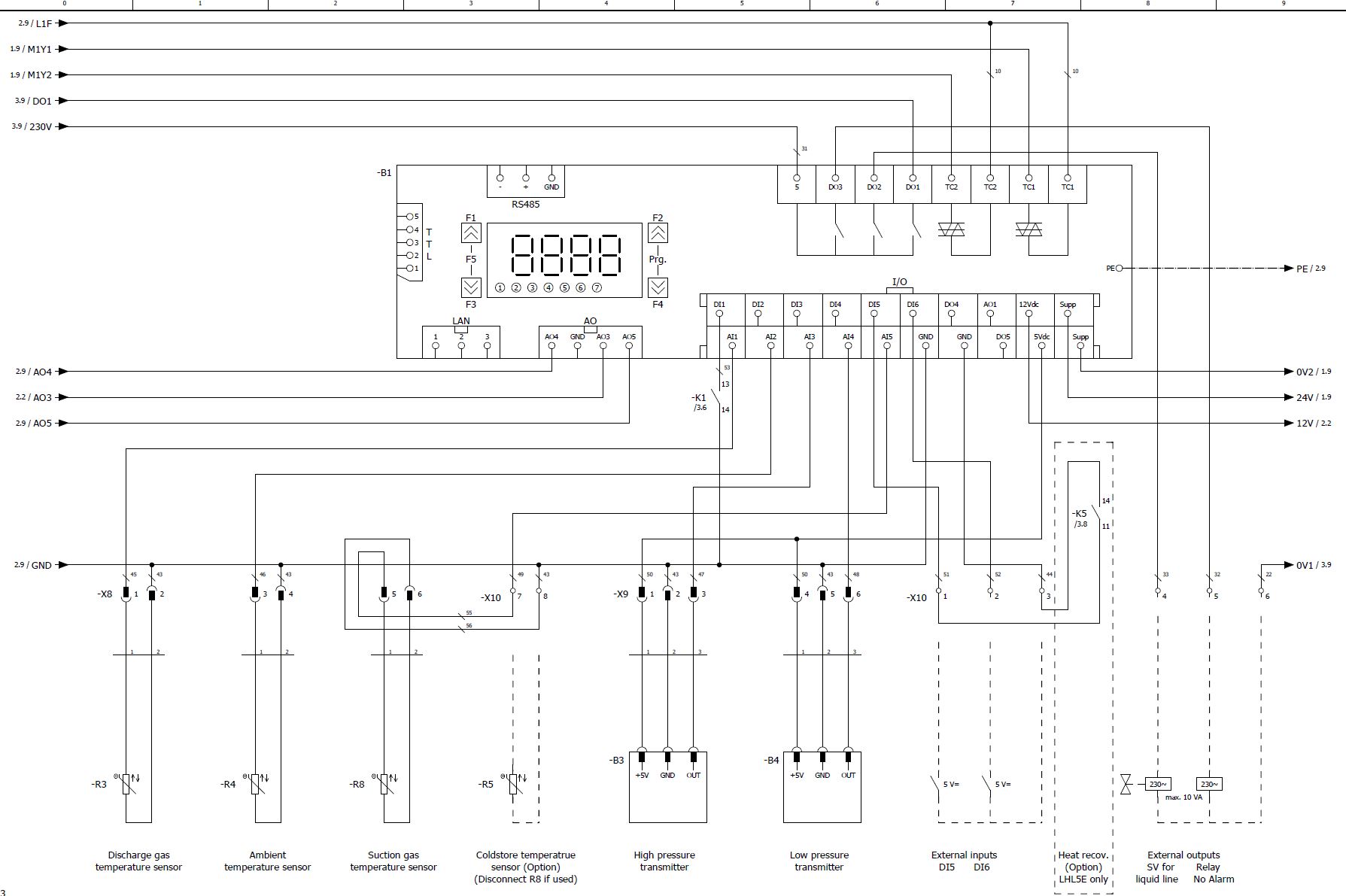
B1 | Régulateur | |
B3 | Transmetteur de haute pression (conduite de liquide) | |
B4 | Transmetteur de basse pression (conduite d’aspiration) | |
C1 | Condensateur de service ventilateur 1 | |
C2 | Condensateur de service ventilateur 2 | |
F2 | Fusible d’une puissance de 230 V | |
F3 | Fusible du circuit de commande | |
F5 | Pressostat haute pression | |
F6 | Pressostat basse pression | |
K1 | Contacteur principal | |
K03 | Module du compresseur | |
K5 | Relais de récupération de la chaleur (option, seulement LHL5E) | |
M1 | Compresseur | |
M1E | Réchauffeur d’huile | |
M1Y1 | CRII MV1 | |
M1Y2 | CRII MV2 (option, seulement LHL5E) | |
M2 | Ventilateur 1 | |
M3 | Ventilateur 2 (seulement LHL5E) | |
M4 | Ventilateur additionnel | |
N2 | Module de commande du ventilateur | |
OLC-K1 | Contrôle d’huile (option) | |
Q1 | Commutateur de maintenance | |
R3 | Sonde de température du gaz de refoulement | |
R4 | Sonde de température ambiante | |
R5 | Sonde de température de chambre frigorifique (option) | |
R8 | Sonde de température du gaz d’aspiration | |
SE-B* | Dispositif de protection | |
S12 | Commutateur de porte | |
T1 | Transformateur de commande |
Documents techniques complémentaires :
- KB-206 : Instructions de service Ecolite – groupes de condensation refroidis par air