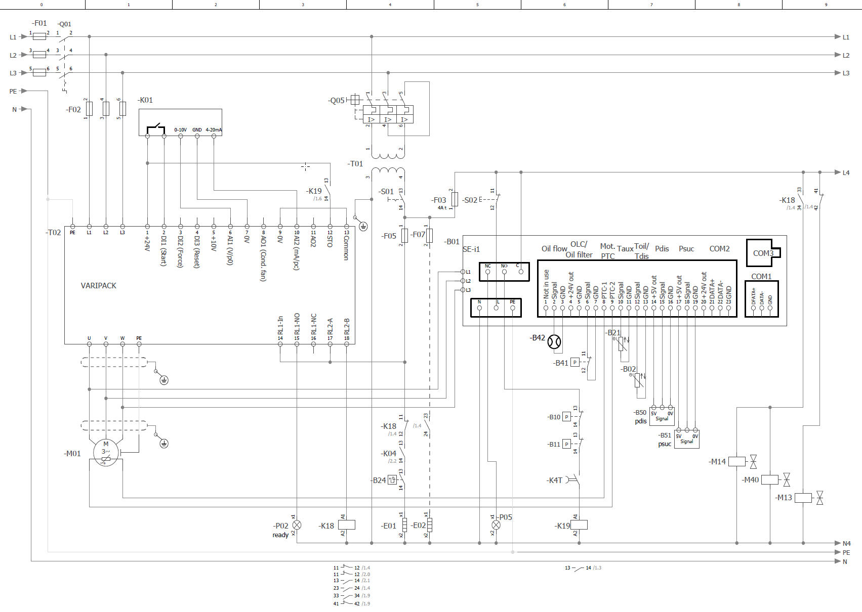
HS.85 with VARIPACK and SE-i1

HS.85 screw compressors without extension module
HS.85 screw compressors without extension module
Oil monitoring HS.85 screw compressors
Oil monitoring HS.85 screw compressors

Last revision of the diagram:

13.07.2021

Abbr.

Component

B01

Compressor protection device

B02

Discharge gas / oil temperature sensor

B10

High pressure switch

B11

Low pressure switch

B12

Differential oil pressure switch

B21

Optional temperature sensor

B24

Oil thermostat

B30

Oil level switch

B41

Oil filter monitoring

B42

Oil flow switch

B50

High pressure transmitter

B51

Low pressure transmitter

B53

ECO switch-on

E01

Oil heater

E02

Terminal box cover heater

F01

Main fuse

F02

Compressor fuse

F03

Control circuit fuse

F05

Fuse of oil heater

F07

Fuse of terminal box cover heater

K01

Superior controller

K04

Auxiliary relay for oil monitoring

K04T

Time relay for oil level switch

K14

Auxiliary relay

K18

Auxiliary relay: FI outputs power voltage/rotating field for motor

K19

Auxiliary relay: safety chain enabled

K23

Extension module

M01

Compressor motor

M03

Fan 1

M06

SV for economiser (ECO)

M11

SV for capacity regulator 1, CR1, CR+, CRII-2 or start unloading

M12

SV for capacity regulator 2, CR2, CR- or CRII-1

M13

SV for capacity regulator 3, CR3 or CRII-3

M14

SV for capacity regulator CR4

M17

SV for standstill bypass

M20

SV for liquid line

M40

SV for oil injection

P02

Light: compressor is ready-to-operate

P04

Light: oil supply fault

P05

Light: compressor fault

Q01

Main switch

Q05

Control transformer fuse

S01

Control switch (on-off)

S02

Reset of compressor safety chain

S04

Reset of oil monitoring

S13

Condensing temperature: Switching to second setpoint

S14

Evaporation temperature: Switching to second setpoint

T01

Control transformer (example for 230 V, required according to EN60204-1)

T02

Frequency inverter (FI)

Technical documents for further information: